Покупки, продажи, услуги, магазины и продвижение в одной платформе
Каталог
Все города
о платформе Современная площадка объявлений с удобным приложением и большим ассортиментом

Детская одежда и обувь

Музыкальные инструменты

Быстрый старт Опубликуйте объявление за пару минут Создать объявление
Для бизнеса Подключите магазин и продвижение Смотреть тарифы
Навигация по платформе Закрыть
Популярные категории
Фильтры Закрыть
Не выбрано
Не выбрано
Не выбрано

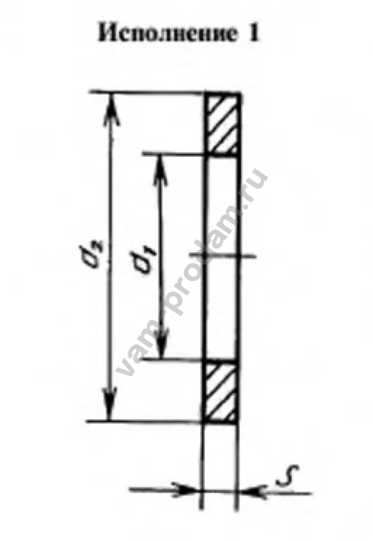
Шайба для пальцев гост 9649-78, ОСТ 107.758491.002-91

3 часа назад 5 №2736043472

Местоположение

Воронежская область, Воронеж

Описание

Изготовим для Вас под заказ шайбы по ГОСТ 9649-78 и ОСТ 107.758491.002-91 из различных сталей. Производим шайбы под различные диаметры пальцев от 3 мм. Также у нас вы можете заказать шайбы для пальцев по чертежам, с индивидуальными требованиями к изделию. Изготавливаем любые объёмы! Сжатые сроки изготовления, лучшее качество на рынке!

шайба для пальцев, шайбы для пальцев гост 9649, шайба 9649, шайба гост 9649, шайба 9649 78, гост 9649 78 шайба, шайба 16 гост 9649 78, 9649 шайба купить, купить шайба гост 9649, шайба гост 9649 аналог, шайба 12.01 08кп 05 гост 9649, шайба 18.02 гост 9649 78 чертеж, шайба гост 9649 78 аналог din, шайба 16.08 кп 016 гост 9649 78, шайба 50.02 ст 3.019 гост 9649 78, шайба 8 гост 9649 78, шайбы для пальцев гост 9649, шайба 10.01 019 гост 9649 78, шайба 30 гост 9649 78, шайба гост 9649 78 27.02, шайба 30.02 019 гост 9649 66

Характеристики

Тип: Крепеж
Состояние: Новое
Продавец: Компания
Отзывы 0

Отзывов пока нет 🥴

0.01 ₽
Евгений

Объявления из той же категории

Домой
Избранное
Добавить
Чат
Профиль